| UWAGA W dniach od 31.12.2025 do 04.01.2026 firma będzie nieczynna. Za utrudniaenia przepraszamy. |
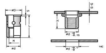
M6 BCT MULTIGRIP nitonakrętka z kołnierzem zredukowanym (mini stożek) , radełkowana stalowa ocynkowana
Średnica nitonakrętki: 9
Średnica kołnierza: 10
Długość: 17,5
Zastosowanie do grubości blachy (zakres nitowania): 0,5-6,0
| DIN | PN | ISO | AISI | |
| normy stali: | - | - | - | - |
| normy nitonakrętki: | - | - | - | - |

wymiary:
waga 100 sztuk:
Nitonakrętki wykonane są ze stali ocynkowanej, posiadają specjalne radełkowania , dzięki czemu ściślej przylegają do mocowanego elementu.
Umożliwiają wkręcenie wkręta, śruby z gwintem metrycznym w blachę lub inne materiały, tam gdzie nie ma możliwości wykonania gwintu.
Opis